型号:31-WF7500
用途:动态单剪测试系统通常用于科研使用,因为它非常容易模拟许多不同的现场应力状态,从而研究土体的动态特性。
标准规范:ASTM D6528
动单剪测试系统31-WF7500
PC 控制,带集成多轴控制系统,安装在机柜中,包含用于70mm试样的适配器。
供电: 110-220 V 50-60 Hz 1ph
动态单剪测试系统通常用于科研使用,因为它非常容易模拟许多不同的现场应力状态,从而研究土体的动态特性,如:
- 以层状粘土为特征的大陆架斜坡在地震时的稳定性
- 循环荷载下粘性土的剪应力退化
- 在循环荷载下评价砂土液化参数
动单剪是一种平面应变仪。剪切应变是由试样底部相对顶部的水平运动引起的。试样直径保持恒定,因而试样的体积变化只与上加载板的轴向运动有关。
该系统设计允许试样进行固结,然后在不排水条件下进行剪切。
试样:
标准试样尺寸为直径70mm的试样。配置转换套件(31-WF7500/1)也可以用作直径50mm的试样。
试样安装于带有与三轴试样相同的顶盖的基座上,并套上橡胶膜,用O型圈密封。
为了保证恒定直径(K0状态),试样的径向采用铜质叠环限制。
剪切阶段:
剪切过程中,叠环相对滑动,如下图所示。
剪切过程中,轴向作动器采用闭环控制来确保试样的高度保持恒定。可以对干燥样或者饱和试样进行恒定体积测试。
动单剪设备31-WF7500中试样的应力状态
主要特点:
恒定直径测试性能
该系统可以进行动态和静态单剪测试:等体积下进行应变控制、 恒定轴向应力下控制剪切应变、恒定轴向应力下控制力和任何叠加的静态剪应力
动态频率可达10 Hz (取决于测试条件及试样状态)
5kN水平剪切和轴向作动器
5kN力传感器,与作动器安装在一起,精度为1N
系统主要组成部分:
(1)动单剪设备主机
主机包括动单剪荷载架、带有轴向和水平向加载控制阀的空气接收器、两个5kN作动器,内置在一个特殊设计的落地机柜中,集成多轴控制系统(IMACS)和电脑也放置在其中。轴向和水平剪切方向的作动器固定在荷载架上,作为反力架。每个作动器包含一个内部位移传感器,将作动器的位置信息反馈到电脑上。这对安装试样时非常重要,它允许你在测试期间设置足够的行程。
试样安装区域的上半部分是刚性固定的,并且在线性轴承中放置一个直径50mm的垂直滑块,允许轴向运动,但防止水平运动。下半部分安装在滚子轴承上的方式与标准直剪仪相同。
(2)集成多轴控制系统 (IMACS)
集成多轴控制系统(IMACS))是一个紧凑的独立单元,为测试和传感器提供所有关键的控制、设置时间和数据采集功能。
数据采集模块包含6个标准化(±10 V范围)传感器输入通道。这些数字化通道通过精确高速20位转换器,用于数据分析和展示。
控制模块包含4个反馈控制通道。其中两个专门用于作动器进行轴向力/位移,其他两个用于水平力/位移。
所有模块都有自己专门的高速USB(10MB/s)或者RS232接口。这就允许不间断的同时进行通讯,提高了工作的速度和灵活性。
在电脑的监督下,IMACS自动控制 加载进行各种类型的试验。IMACS直接控制伺服阀 施加所需的加载速率或者波形。加载时IMACS捕捉到传感器的数据并进行转换,通过 USB或 RS232传输到电脑中用于处理、显示和储存。
(3)力传感器
两个5kN的力传感器分别与轴向和剪切作动器装配在一起。它们配备了一个信号调解器,允许在数据采集系统内更换或移除传感器,而无需重新校准。精确到1 N。
(4)位移传感器
±15 mm的位移传感器内置在每个作动器上来测量作动器的位移,并提供反馈控制。
轴向位移传感器的校准超过±2.5 mm,用于控制和保持试样高度。精度到1μm。
(5)在线信号调节
这个单元将传感器的输出标准化,允许传感器从一个通道转移到另一个通道而无需重新标定。
总之,系统包含如下部分:
- 动单剪主机,带5kN轴向和水平剪切作动器
- 试样制备配件
- 力和位移传感器
- 控制和数据采集系统
- 软件和控制电脑
技术参数:
- 动单剪主机:落地安装,不锈钢框架,包括集成双驱剪切和轴向气动作动器。每个带一个+/-15mm 内部位移传感器 (精度:0.01 mm)。顶帽固定,底座安装在滚子轴承上
- 试样尺寸: 直径70 mm (50 mm 的需要配置转换套件)
- 最大力: 水平和轴向都是 ±5 kN
- 动态频率: 可达 10 Hz (取决于测试和试样状态)
- 总体尺寸: 1500 x 700 x 1200 mm (宽x 深x高)
- 供电要求: 240 或110 V, 50-60 Hz, 1 ph
- 重量: 约350 kg
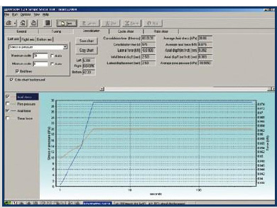
测试曲线:

设置参数
固结阶段:图中显示了轴向应力,诱导孔压、轴向力和剪切力vs 时间
循环剪切阶段:图中显示了轴向应力、诱导孔压、轴向力和水平剪切力 vs 循环数
线性位移剪切阶段: 图中显示了轴向应力、诱导孔压、轴向力、水平力 vs 时间




